Сигнализатор со звуковой индикацией
Еще один вариант индикатора подключения к линии с автоматическим отключением во время разговора хозяина телефона приведен в [3].
Сигнализатор устанавливается на входе абонентской линии в квартиру последовательно с защищаемым телефонным аппаратом. Благодаря внешнему источнику питания 9 В, сигнализатор реагирует, как на попытку параллельного набора, так и на обрыв линии.
Принципиальная схема устройства приведена на Рис. 10.

В состав схемы входят:
• датчик падения напряжения — VD1, VD2, R2, VT2;
• датчик тока—Rl,VD3,VD4,VTl;
• ключ включения звукового генератора — DA1;
• блокировочная емкость — С 1;
• генератор — VT3, VT4, R4;
• источник питания 9 В ("Крона") — GB 1;
• телефонный капсюль ТА56М — BF 1.
Принцип действия схемы заключается в следующем.
При положенной трубке напряжение в линии составляет 60 В, которого достаточно для открывания стабилитронов VD1, VD2. Транзистор VT2, соответственно, открыт, а ключ DA1 закрыт ("0" на управляющем входе 1, 8 DA1).
При снижении напряжения в линии в два раза стабилитроны VD1, VD2 закрываются и, соответственно, закрывается VT2, а ключ DA1 открывается через резистор R3, замыкая, тем самым, цепь питания звукового генератора, собранного на VT3, VT4.
Если трубка была поднята на своем телефоне (основной ТА), через резистор R1 протекает ток достаточный, чтобы открыть транзистор VT1 и закрыть VT2, DA1. Сигнала тревоги нет. Блокировочный конденсатор С1 необходим для того, чтобы устройство не срабатывало при наборе номера.
После окончания разговора с пиратского аппарата (трубка положена) звуковой генератор отключается практически мгновенно. 3.5. Индикатор нерезонансного включения
Как уже отмечалось, под резонансной настройкой телефонного аппарата понимается работа оборудования АТС с конкретным телефонным аппаратом. В случае подключения телефона с другими характеризующими его параметрами или подсоединении в другой точке шлейфа АТС - абонент, происходит рассогласование (непопадание в резонанс), что приводит к срабатыванию индикатора.
Характеризующие параметры могут быть следующими:
• эквивалентное сопротивление ТА при поднятой трубке;
• эквивалентное сопротивление при положенной трубке;
• индивидуальные параметры номеронабирателя;
• комплексное сопротивление разговорной части;
• ток потребления при вызове;
• ток потребления в разговорном режиме;
• прочие параметры (распределение зарядов, изменение волнового сопротивления двухпроводной линии при включении ТА и др.).
Рассмотрим простейший случай настройки в резонанс по эквивалентному сопротивлению ТА при поднятой трубке.
На Рис. 11 приведена эквивалентная схема пиратского подключения в различных зонах.

R — последовательное включенные эквивалентные сопротивления, имитирующие длинный шлейф АТС-абонент; Rr — поднятая трубка основного телефона; Rn — поднятая трубка пиратского телефона; КТ1-КТ4 — возможные точки подключения пиратского аппарата в различных зонах. Совершенно очевидно, что суммарное сопротивление Rcум = 6*R +Rт однозначно определяет падение напряжения на выходных клеммах АТС (в точках КТ1), это нулевой уровень настройки Ео. Изменение типа телефонного аппарата ведет к изменению Rт, а значит, к изменению тока питания телефона, соответственно, к колебаниям Ео. Подобные изменения тем значительнее, чем короче длина шлейфа (меньше значение R). В свою очередь, подключение пиратского аппарата в точках КТ1-КТ4 ведет к резкому изменению Rсум. Для различных зон Rсум будет следующим. Зона 1 — Rсум1 =Rп Зона 2 — Rсум2 = 2*R + Rп Зона 3 — Rсум3=4*R + Rп 3oнa4—Rсум4 =6*R+Rп Как видно, изменения довольно значительные (заметим, что порядок значений R, Rт, Rп составляет около 500 Ом). В результате анализа схемы выясняется замечательная возможность — по падению напряжения в линии на выходных клеммах АТС судить о зоне включения пиратского аппарата. Естественно, система требует настройки. На Рис. 12 приведена принципиальная схема датчика нерезонансного подключения с индикацией зоны. Датчик включается в точках КТ1 шлейфа. В нем предусмотрена светодиодная сигнализация зоны подключения. В состав схемы входят: • диодный мост униполярного подключения VD1-VD4; • делители по зонам — R1, R5; R2, R6; R3, R7; R4, R8; • триггеры шмитта (в качестве пороговых элементов) — DD 1.1 -DD 1.4; • ключи включения светодиодов HL1-HL4 — VT1-VT4; • источник питания 9 В.

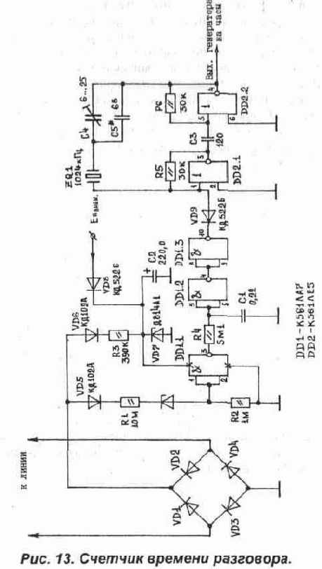
Принцип действия схемы очевиден и прост. При включении ТА в линию на различных участках шлейфа (четыре зоны) на входе устройства формируется, соответственно, один из четырех уровней напряжения Ео — U1, U2, U3, U4. Численные значения этих уровней были выявлены в результате экспериментов на длинном шлейфе реальной телефонной линии при подключенном стандартном ТА. Настройка схемы производится следующим образом. Параллельно индикатору включается вольтметр и переменное сопротивление R-настр (показано пунктиром). Регулировкой Rнастр добиваются показаний вольтметра 20 В и далее резистором R5 находят точку включения HL1 (зона 1). Далее, получают напряжение 25 В и резистором R6 включают светодиод HL2 (зона 2) и т.д. При такой настройке при снятии трубки основного ТА будут загораться несколько светодиодов (в зависимости от зоны включения). Если аппарат включен в зоне 4, будут гореть все светодиоды, в зоне 3 — 3 светодиода и т.д. Данная схема должна рассматриваться скорее как простейший вариант резонансного датчика. Некоторые цифровые АТС позволяют запрограммировать работу абонента с определенным ТА (идентификация по цифровому коду), что также можно рассматривать как способ "цифровой резонансной настройки". 3.6. Счетчик времени разговора Если совместить схему индикатора состояния линии с электронными часами, можно получить простои счетчик времени разговора. Заметим, что если индикатор линии реагирует как на попытку набора, так и на обрыв линии, то счетчик позволит произвести оценку времени пиратского подключения во время отсутствия хозяина телефона. Получается своеобразный индикатор с памятью. Привязку датчика состояния линии с часами легче всего производить по запуску кварцевого задающего генератора. Тогда, часы запускаются при падении напряжения в линии ниже установленного уровня (разговор или обрыв) и останавливаются после восстановления уровня 60 В (окончание разговора). Если часы не обнулять, то счетчик времени суммирует время всех разговоров в течение суток и более (до 24-х часов разговорного времени). Счетчик времени может быть также применен для анализа частоты использования телефонного аппарата. Для примера, на Рис. 13 представлена схема счетчика времени разговора с задающим генератором на микросхемах 561 серии. В исходном состоянии, когда на линии 60 В, вход 1 DD2.1 шунтируется диодом VD9 на корпус. Задающий генератор выключен, счет часов остановлен. При снятии трубки на линии, на выходе 10 DD1.3 с задержкой в 1 с (R4, С1) появляется логическая единица, осуществляя запуск генератора. Счет времени осуществляется пока на выходе 10 DD1.3 не появится логический "ноль" (через 1 с после появления на линии напряжения 60 В). По описанному принципу можно осуществить сопряжение датчика линии с любыми другими схемами электронных часов. Для конструирования желательно использовать готовые часы с питанием от батареек, так как в этом случае осуществляется страховка от пропадания напряжения в сети 220 В.

3.7. Схема запуска