ПРЕОБРАЗОВАТЕЛЬ НАПРЯЖЕНИЯ
С.Сыч
225876, Брестская обл., Кобринский р-н, п.Ореховский, ул.Ленина, 17 — 1.
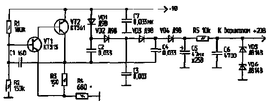
Предлагаю простую и надежную схему преобразователя напряжения для управления варикапами в различных конструкциях, который вырабатывает 20 В при питании от 9 В. Выбран вариант преобразователя с умножителем напряжения, поскольку он считается самым экономичным. Кроме того, он не создает помех радиоприему. На транзисторах VT1 и VT2 собран генератор импульсов, близких к прямоугольным. На диодах- VD1...VD4 и конденсаторах С2...С5 собран умножитель напряжения. Резистор R5 и стабилитроны VD5, VD6 образуют параметрический стабилизатор напряжения. Конденсатор С6 на выходе является ВЧ-фильтром. Ток потребления преобразователя зависит от напряжения питания и количества варикапов, а также от их типа. Устройство желательно заключить в экран для снижения помех от генератора. Правильно собранное устройство работает сразу и некритично к номиналам деталей.

Преобразователь напряжения 5 -> 230 V
| Микросхемы : DD1 - K155ЛA3 DD2 - K1554TM2 | Транзисторы :
VT1 - VT3 - КТ698Г, VT2 - VT4 - КТ827Б , VT5 - КТ863А |
| Резисторы : R1 - 910,R2 - 1k,R3 - 1k,R4 - 120 0.25 Bт, R5 - 120 0.25 Bт, R6 - 500 0.25 Вт, R7 - R8 - 56 Ом 2Вт, R9 - 1.5 kOm 2Вт
Диод VD5 - KC620А два последовательно |
Конденсаторы :
С1 - 10H5 С2 - 22 мкФ х450В Трансформатор :Т1 - две обмотки по 10 вольт соединенных последовательно ток 16А;одна обмотка на 220 вольт ток 1А, частота 25кГц |
принципиальная схема